テクノエイド協会

Welcome to association for technical aids' home page

印刷する

部品詳細

一覧へ戻る
部品コード
10099-220004

更新日:2026/02

このページの二次元バーコード

ダウンロードしてお使い下さい。

二次元バーコード ダウンロード
部品詳細画面の印刷レイアウト設定について

指定内容

使用部品 オズール A-242510/A-242520
価格 39,300 円
通知内容 4穴メスピラミッド 20/20/10オフセット アルミ

基本情報

申請者

メーカー又は輸入事業者等 OSSUR JAPAN 合同会社

詳細情報

部品構造図 組立・加工・取付例
対象 片側骨盤切除、股関節離断、大腿切断、膝関節離断および下腿切断
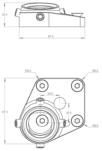
構造 メスピラミッド部と取付部および調整ネジ4本からなる。中心に対してピラミッドが前額面で20mmかつ矢状面で20mm および 前額面で10°オフセットしている。
機能(効果) 足部の近位に取付けるパイロンチューブアダプタ、膝継手、ターンテーブル等を接続する構造物として荷重を支持する。
材質 アルミニウム(本体)
寸法 67.3mm×67.3mm×22.4mm
重量 約132g
保証期間 24ヶ月
組立・加工・取付方法 ソケット遠位などに4穴取付部をネジ止めする。メスピラミッドには、各種オスピラミッド部品を取付ける。
調整方法等 メスピラミッドの調整ネジによって義足アライメントを調整する。
適応体重と適応身長 適応体重 :125kg

活動レベル:特に制限なし
使用条件(場所) 特に制限なし
必ずセットにして使用しなければならない部品
1. メーカー名(略称): 型番:
部品名称: 完成用部品コード:
注意・禁忌事項 特になし
特徴
その他の画像
部品動画
類似する部品
メーカー名(略称):
    型番:
完成用部品コード:
メーカー名(略称):
    型番:
完成用部品コード:
メーカー名(略称):
    型番:
完成用部品コード:
以前のモデル
当該部品の上位モデル
当該部品の下位モデル
他の部品と組み合せて使用する場合の留意点
修理可能期間
対象疾患または活動レベル
販売形態
重要なお知らせ
パンフレット
取扱説明書
お問い合せ窓口 OSSUR JAPAN 合同会社
東京都江東区亀戸2-27-7 FORECAST亀戸8F
TEL: 03 - 5609 - 7797
https://www.ossur.com/ja-jp/
一覧へ戻る
pagetop