テクノエイド協会

Welcome to association for technical aids' home page

印刷する

部品詳細

一覧へ戻る
部品コード
10040-000002

更新日:2026/02

このページの二次元バーコード

ダウンロードしてお使い下さい。

二次元バーコード ダウンロード
部品詳細画面の印刷レイアウト設定について

指定内容

使用部品 ハニーインターナショナル PSB-301
価格 52,100 円
通知内容 ポータブルスプリングバランサー テーブル用ブラケット(修理専用部品)

基本情報

申請者

メーカー又は輸入事業者等 (有)ハニーインターナショナル

詳細情報

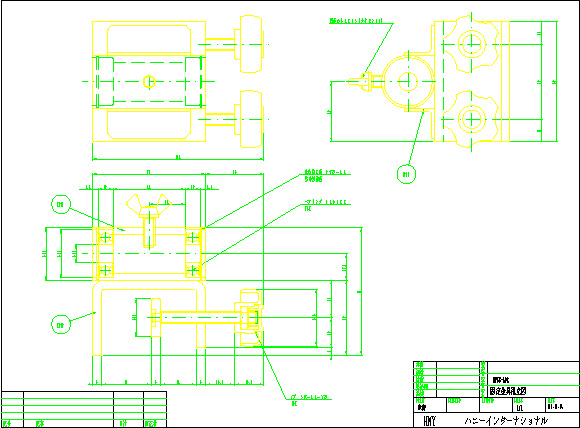
部品構造図 組立・加工・取付例
対象 何らかの疾患で上肢の動きが制限される方
構造 2つのノブを絞めて、テーブル端部に取り付け、PSB本体を固定する。
機能(効果) 不使用時回転を止めることが可能。
材質 スチール製
寸法 幅80mm・高さ100mm・奥行き86mm
重量 1.08kg
保証期間 3年
組立・加工・取付方法 テーブルに2つのノブを絞めて固定。
調整方法等 特になし
適応体重と適応身長 本体に準ずる
使用条件(場所) 20mmから58mmまでの厚さのテーブルに取り付け可能。
必ずセットにして使用しなければならない部品
1. メーカー名(略称): 型番:
部品名称: 完成用部品コード:
注意・禁忌事項 テーブル端部の形状により取り付け不可の場合有。
特徴
その他の画像
部品動画
類似する部品
以前のモデル
当該部品の上位モデル
当該部品の下位モデル
他の部品と組み合せて使用する場合の留意点
修理可能期間
対象疾患または活動レベル
販売形態
重要なお知らせ
パンフレット
取扱説明書
お問い合せ窓口 (有)ハニーインターナショナル
東京都杉並区宮前5-24-3 2階
TEL: 03 - 5941 - 9830
http://www.hny.co.jp/
一覧へ戻る
pagetop